Описание
Фильтры установок водяного и пенного пожаротушения типа Ф-КРФ ОП/ОВ (далее – фильтры) предназначены для фильтрации жидкостей, в том числе для фильтрации воды и водных растворов поверхностно-активных веществ, смачивателей и пенообразователей в установках водяного и пенного пожаротушения, а также в установках водяного охлаждения емкостей, аппаратов и других элементов объектов защиты.
Фильтры обеспечивают работоспособность соответствующего защищаемого комплектующего оборудования и рекомендуются для фильтрации водного раствора пенообразователя, подаваемого к генератору пены высокой кратности КРФ-ГВП и генератору пены низкой кратности КРФ-ВПГ. Фильтры предназначены для защиты от засорения противопожарного оборудования: лафетных стволов КРФ-ЛС, дренчерных оросителей КРФ-ВПН, дозаторов установок пенного пожаротушения КРФ-ПС при подаче огнетушащих веществ в зоны горения.
Отстойник, установленный на фильтрах типа Ф-КРФ ОП/ОВ обеспечивает увеличение полезного объема фильтра и использование его для сбора посторонних включений. Наличие фланцевой заглушки на отстойнике обеспечивает возможность оперативной очистки фильтра в случае загрязнения без снятия фильтра с трубопровода. Для удобства проведения работ по очистке на фильтре установлен перекрывной кран для слива огнетушащих веществ перед проведением очистки.
Материал исполнения:
- Климатическое исполнение У – сталь 20 с антикоррозийным покрытием;
- Климатическое исполнение ХЛ, УХЛ – сталь 09Г2С с антикоррозийным покрытием;
- Климатическое исполнение Т, ОМ – нержавеющая сталь;
- Климатическое исполнение У, ХЛ, УХЛ для работы на морской воде – нержавеющая сталь (по заказу указывается дополнительно).
Ф X/Y—Z Ф.DDE-КРФ (QхQ) ОП/ОВ
X – диаметр условного прохода, мм;
Y – максимальное рабочее давление, МПа;
Z – универсальное рабочее положение на трубопроводе (вертикальное и горизонтальное);
Ф – фланцевое соединения с арматурой, отсутствие индекса – иное соединение;
DD – климатическое исполнение по ГОСТ 15150-69;
E – категория размещения по ГОСТ 15150-69;
КРФ – неизменяемое условное обозначение;
(QхQ) – размер ячейки фильтрующего элемента, мм;
OП/ОВ – наличие отстойника.
ТЕХНИЧЕСКИЕ ХАРАКТЕРИСТИКИ:
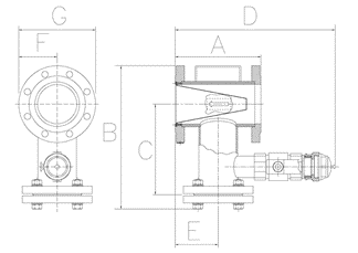
| Тип фильтра | Длина (A), мм* | Высота (B), мм* | Высота от оси (С), мм*** | Габарит изделия вдоль оси трубопровода (D), мм*** | Длина до оси (E), мм*** | Ширина от оси (F), мм*** | Габарит изделия поперек оси трубопровода (G), мм*** | Услов-ный диаметр, мм | Размер резьбо-вого соедине-ния отвода* | |||
| ОП | ОВ | ОП | ОВ | ОП | ОВ | |||||||
| Ф-КРФ 80 ОП/ОВ | 160±5 | 375±5 | 250±5 | 160±5 | 290±5 | 110±5 | 200±5 | 98±5 | 300±5 | 195±5 | 80 |
G2 |
| Ф-КРФ 100 ОП/ОВ | 200±5 | 385±5 | 250±5 | 200±5 | 290±5 | 110±5 | 200±5 | 108±5 | 310±5 | 215±5 | 100 | |
| Ф-КРФ 150 ОП/ОВ | 300±5 | 420±5 | 250±5 | 300±5 | 310±5 | 120±5 | 210±5 | 140±5 | 350±5 | 280±5 | 150 | |
| Ф-КРФ 200 ОП/ОВ | 400±5 | 470±5 | 275±5 | 400±5 | 120±5 | 210±5 | 168±5 | 380±5 | 335±5 | 200 | ||
| Ф-КРФ 250 ОП/ОВ | 500±5 | 500±5 | 275±5 | 500±5 | 145±5 | 235±5 | 203±5 | 440±5 | 405±5 | 250 | ||
| Ф-КРФ 300 ОП/ОВ | 550±5 | 550±5 | 300±5 | 550±5 | 145±5 | 235±5 | 230±5 | 465±5 | 460±5 | 300 | ||
| Ф-КРФ 350 ОП/ОВ | 600±5 | 580±5 | 300±5 | 600±5 | 170±5 | 260±5 | 260±5 | 520±5 | 520±5 | 350 | ||
| Ф-КРФ 400 ОП/ОВ | 650±5 | 640±5 | 325±5 | 650±5 | 170±5 | 260±5 | 290±5 | 580±5 | 580±5 | 400 | ||
| Ф-КРФ 450 ОП/ОВ | 700±5 | 650±5 | 325±5 | 700±5 | 195±5 | 300±5 | 320±5 | 640±5 | 640±5 | 450 |
G3 |
|
| Ф-КРФ 500 ОП/ОВ | 750±5 | 715±5 | 350±5 | 750±5 | 195±5 | 300±5 | 355±5 | 710±5 | 710±5 | 500 | ||
| Расчетное (рабочее) давление | 1,6 МПа |
| Диапазон давлений * | 0,4 ~ 4,0 МПа |
| Гидравлические потери, МПа, не более | 0,05 |
| Климатическое исполнение | У, ХЛ, Т, ОМ |
| Материал | нержавеющая сталь, сталь Ст20,
сталь 09Г2С |
| Размер ячейки фильтрующего элемента, мм** | 1х1, 2х2, 3х3, 4х4,
5х5 |
* По заявке потребителя Ф-КРФ может быть изготовлен с другими присоединительными и габаритными размерами, а также другими значениями условного прохода отвода сливного крана и другим размером резьбового соединения сливного крана.
** Фильтр изготавливается с фильтрующим элементом, обеспечивающим удержание частиц размером более 4 мм (ячейка 4х4, в базовом исполнении). По заявке потребителя фильтр может изготавливаться с фильтрующим элементом, обеспечивающим удержание частиц с расчетным размером (1х1), (2х2), (3х3), (5х5).
*** Размер является ознакомительным и может быть изменен по усмотрению изготовителя.







